CHÚNG TÔI CHUYÊN MUA BÁN VÀ SỬA CHỮA BIẾN TẦN TOYO DENKI VF66B
Biến tần Toyo Denki VF66B là dòng biến tần thông minh nhất thị trường hiện nay :
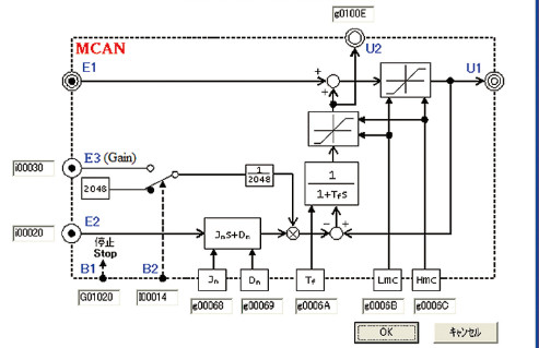
Tài liệu tham khảo: TIM003U_VF66B_Operating_Manual




Liên hê chúng tôi khi cần hỗ trợ: 0937.344.059
CHÚNG TÔI CHUYÊN MUA BÁN VÀ SỬA CHỮA BIẾN TẦN TOYO DENKI VF66B
Biến tần Toyo Denki VF66B là dòng biến tần thông minh nhất thị trường hiện nay :
Tài liệu tham khảo: TIM003U_VF66B_Operating_Manual




Liên hê chúng tôi khi cần hỗ trợ: 0937.344.059